搜索
网站首页
关于我们
补偿器
金属补偿器
非金属补偿器
四氟补偿器
挡板门
金属软管
旋转补偿器
套筒补偿器
金属软管
挡板门
新闻资讯
公司新闻
行业新闻
设备一览
人才招聘
联系我们
Menu
补偿器
首页
>>
补偿器
>>
金属补偿器
金属补偿器
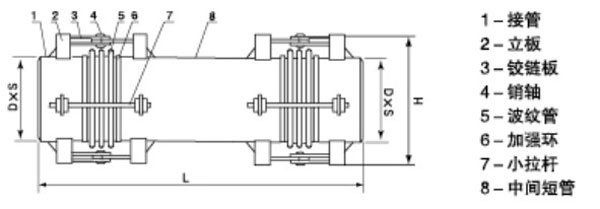
复式铰链金属补偿器
复式铰链补偿器结构图
复式铰链补偿器参数表
上一篇:
弹性减震型补偿器
下一篇:
复式轴向波纹膨胀节